STM32F407ZG — How to set frequencies correctly?

For general Flowcode discussion that does not belong in the other sections.
Post Reply
TheShadowOfTriumph
Posts: 24
http://meble-kuchenne.info.pl
Joined: Wed Feb 08, 2023 3:33 pm

Flowcode v10 STM32F407ZG — How to set frequencies correctly?

Post by TheShadowOfTriumph »

Hi, were no problems with this before. About project: 407 with 10 UART`s.
I have tried many configurations calculated in Cube, but every time some problems occur.
1.Delay <ms> component working correct.
2.Timer interrupt works 10 times faster, then calculated value. How setting controlled interrupts?
3.Now i try configuration on picture — peripheral devices confidently receive only 1200bps (UART timings wrong? I allways use software UART`s). How setting controlled UARTS? Preferals are works normal, can communicate with high speed, tested with PC/CH340.
4.With HCLK 168MHz preferal UART`s do nothing (pull-up voltage without any data).

Now, what i want:
1.Choose real settings with current project — important! Strategy is incerasinc core frequency as possible. Quartz is 8M.
2.Get a deep understanding of this.
2026-03-04_223317.png
2026-03-04_223317.png (146.75 KiB) Viewed 1621 times

LeighM
Valued Contributor
Posts: 539
Joined: Mon Dec 07, 2020 1:00 pm
Has thanked: 98 times
Been thanked: 293 times

Re: STM32F407ZG — How to set frequencies correctly?

Post by LeighM »

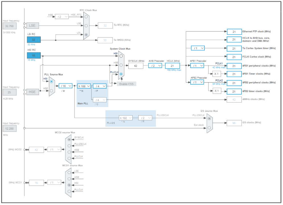
To use 8MHz crystal and maximum allowed clock rates here are suggested settings
clocks.jpg
clocks.jpg (55.65 KiB) Viewed 1588 times
settings.jpg
settings.jpg (70.59 KiB) Viewed 1588 times
The Flowcode Timer interrupt dialog calculations are incorrect for STM devices (Flowcode does not know about multiple clocks)
Therefore you need to work out yourself the prescaler and roll over values.
For any particular timer you will need to check the ST datasheet to see which APB clock it uses (or set APB1 and APB2 to the same frequency)
Also note that some STM32F407 timers are 32 bit and the Flowcode timer interrupt dialog does not accept 32 bit values (as far as I know), so for long timer durations (or slow UART baud rates) you might need to lower the APB clock frequency.

TheShadowOfTriumph
Posts: 24
Joined: Wed Feb 08, 2023 3:33 pm

Flowcode v10 Re: STM32F407ZG — How to set frequencies correctly?

Post by TheShadowOfTriumph »

Oh, yeeeeeaaaah.
After several attempts and discussions with DeepSeek, I managed to come up with a working configuration where the delay and timer work identically. The only remaining issue is the software I2S, which only operates at maximum 200 kHz regardless of its settings. Thanks to the oscilloscope for this discovery, but I have 24FC512 (1 MHz).
I don't know whether to post a request for understandable settings for the STM32 in the request section.
2026-03-06_192832.png
2026-03-06_192832.png (148.76 KiB) Viewed 1531 times
2026-03-06_192847.png
2026-03-06_192847.png (174.07 KiB) Viewed 1531 times

Post Reply